PCR实验室又称为基因扩增实验室,利用分子生物学技术, 通过放大 DNA 片段,也可以看做是生物体外的特殊 DNA 复制。利用基因追踪系统,掌握人体内部的病毒含量,此种试验的精确度可达到纳米级别。PCR 实验室对温度没有严格要求,从实验室人性化考虑,人体温度在环境温度(18℃~25℃,相对湿度: 50%),人体感觉比较舒适。因此,PCR 实验室应通过各种措施,保证环境温度、湿度控制在一定范围之内。
平面布置
目前,国内的二级医院基本上都在积极开展基因扩增检查实验室项目,PCR 实验室的设计与建设越来越受到医学界的重视。根据实验流程,房间功能分别为样品准备区,标本制备区,基因增扩区,物产分析区几个区域,规范对此区域没有洁净度的要求,如果此区域采用空调净化,可以采用十万级净化洁净度。
实验室布局
主试验区功能划分
标准实验室建筑平面布置应该包括一个公共走廊,四个相邻的功能试验区域,每个试验区设置独立的缓冲区,通过不同的压差控制,来避免房间空气串联,造成二次污染。
主试验区功能划分
为了防止室外的污染源进入洁净区而使室内压力高于洁净区外部的压力,洁净区的压力成为正压洁净区; 反之,为了防止洁净区内的污染源扩散至实验室外部,而使内部的压力低于外部的压力,这种实验室成为负压洁净区。所以洁净室的正负压是相对而言的,主要看每个实验室的压力相对大小。PCR 实验室有严格的压力梯度,就有严格的气流方向。
相邻主实验区之间压差取值 5 Pa,试验区与缓冲间压差取值5 Pa; 主试验区压力梯度及气流方向为: 试剂准备区、标本制备室、扩增区、产物分析区、测序室,压力梯度不能混乱,气流方向不能出现滞留或倒流。同时各个区域的缓冲间与主试验区压差为+ 5 Pa,防止试验区的污染气流流向非污染区。
按照规范十万级净化区可取 15次/h ~ 25次/h 换气次数,文中次数按照 15次/h 取值。
人物分流
所谓人物分流,就是实验员跟试验物品各行其道,避免互相交叉。
试验品通过主试验区的传递窗,通过一个流程,完成实验物品的实验过程。试验人员通过公共走道及缓冲间达到不同试验区域。
试验区温度控制
试验区温湿度
对于实验室的温湿度控制,应从两个方面综合考虑:
第一方面,从试验工艺的要求考虑,个别试验程序对于实验仪器、试剂的要求严格,需要恒温恒湿控制。
第二方面,洁净区的换气次数远大于常规试验室,处于对于实验人员舒适度的考虑,实验室的温度应控制在 18℃ ~ 25℃,夏季湿度控制在50% ~ 70%,冬季湿度控制在30% ~ 50% 。
综合以上两方面的要求,实验室可以得出适当的温度与湿度。
温度与湿度的控制
控制方面编制出管理程序,把实验室的温湿度控制在合理的范围内。通过对温湿度的监控,并对环境温度与湿度做好记录,各项指标偏离要求时,自控系统能很好的调节阀门开度与加湿机与除湿机的工作状态。
空气处理过程
通风系统流程
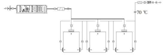
PCR实验室通常采用非单向流送风方式,所谓非单向流,指气流流线方向不平行,风速也不一致。非单向流的气流组织方式有上送下回式、上送下侧回式、测送下回式、上送上回式、PCR实验室一般采用上送下回式。上部送风依靠高效送风口进入房间,下部回风依靠每个房间的对称分布的排风柱下部的排风口排风。
新风从室外进入处理机组,经过粗效、中效、亚高效、表冷(热)段、喷淋段(加湿)几个处理过程,最终进入洁净室。
排风分为全面换气与局部排风两部分,全面排风口一般位于排风柱的下部,设可调带过滤网的百叶风口,送风口采用高效过滤送风口。局部排风为房间设置Ⅱ级 B2 型生物安全柜的局部排风,柜面风速要求不小于 5 m/s,生物安全柜独立设置排风系统,排风口要求设置在建筑物的屋面上,生物安全柜排风管与所在室内的全面排风互锁,局部排风与全面排风不能同时开启。
新风机组与排风系统都采用变频系统,以应对不同变风量处理过程。
图 1 通风系统流程图
空气过滤要求:
实验室的送风经过净化过滤,需达到国家规范要求,实验室完工后,需经过测定送风颗粒物的浓度。颗粒物浓度不小于0.5μm,过滤效率 95 <η<99.9,阻力不大于120Pa,处理效率为大气尘计数效率,满足此要求,可达到PCR实验室室内处理空气标准,方可满足实验室使用要求。
整体实验室通风流程见图1。
夏季制冷量计算
PCR实验室不允许有回风状态,所以实验室为全新风系统。夏季新风不仅承担室内围护结构冷负荷,同时还要承担大风量换气所带来的大量新风负荷。夏季室内温度可以控制在26℃,湿度控制在50% ; 室内的夏季冷负荷可根据围护结构计算。对于全新风系统,空气处理的过程见图 2。
图 2 全新风空气处理过程
根据焓湿图可查出出风状态点 T1 的比焓值 H1,室内设计状态点 T2 的比焓值 H2,制冷量共包括以下三部分:
1) 新风承担室内冷负荷为:
Q = G( H1-H2 )。
2) 新风承担自身的冷负荷,室外空气进入系统时焓值H3,排出时焓值
H4:Q = G( H3-H4 )。
3) 处理过程在喷水室中再加热一次,此部分热量需要冷源负担:
Q = G( H0 - H1 ) 。
洁净区全新风系统,本身风量比舒适性空调风量大很多,所以可以增加送风温差,尽量减小送风量。
冬季制热量计算
按照规范要求,洁净区不得采用散热器及地暖等方式冬季供暖PCR实验室冬季通风方式属于全面通风,设置机械送风,同时依靠机械送风的方式给房间供暖。设置机械送风系统时,应对房间进行热平衡计算。
1 、全面通风应注意的原则
1) 全面通风的进排风要避免有大量热、湿或有害物气流流入作业地带或者人员经常停留的地方。
2)PCR实验室的正负压要依靠送风、排风的控制来实现。
3) 排风口位于房间下部,其至地板高度不得大于150 mm。
4) 实验室不得出现排风死角。
5) 此种送风与供暖相结合的方式,送风温度不得低于35℃,不得高于70℃,具体送风温度需经过严格的全面通风公式计算得出结果。
2、 风量平衡计算
通风房间内,单位时间内进入房间的风量等于单位时间排出房间的风量,这被称为风量平衡,这时,室内外压差为0。如果机械进风量大于机械排风量时,室内的压力升高,处于正压状态; 反 之,如果机械进风量小于机械排风量时,室内压力低于外部压力,室内处于负压状态。
当房间处于正压或负压状态时,空气会通过房间不严密的缝隙或者窗户、门缝渗透到室外,这种渗透到外部的空气量,称为无组织排风。PCR实验室设计中,要使洁净度要求较高的房间保持正压,同时,产生污染物的且不能溢流到室外的房间保持负压状态。
风量平衡计算的公式为:
3、 热量平衡计算
要使通风房间温度保持不变,必须使室内的总得热量等于总失热量,保持室内热量平衡,即热平衡计算。因为采用机械送风加热系统对室内进行供热通风,因此,冬季室外参数采用供暖室外计算温度,而不能采用冬季通风室外计算温度。PCR 实验室没有明确规定设计温度,由于实验人员室内操作仪器,不宜穿着太厚,则冬季室内温度一般要求控制在22℃,湿度控制到40%,人体舒适度较好,如果实验室内有精密仪器,要求更高的温湿度,则以测量仪器的温湿度来计算通风温度、湿度。
实验室送风温度必须通过热平衡公式计算:
冬季空调送风量往往采用与夏季相同的送风量,冬季送风状态点的含湿量按照下面公式确定:
系统总的加热量由下面的公式确定:
冬季空调总的加湿量可采用绝热加湿方法,也可采用喷蒸汽的等温加湿方法。采用绝热加湿的方案时,对于要求新风比较大的工程,或是按最小新风比而室外设计参数很低的场合,都可能使进入设备时,发生冻结现象,因此,一般情况,先将空气预热,使预热后的空气在露点温度以上。
结语
PCR实验室通风系统整体采用全面通风的方式,同时也要考虑夏季与冬季的室内温度工艺要求与舒适度要求。因此空调的送风量、送风温度应进行科学的计算方式,以避免实验室洁净度达到要求,温湿度却不能保证,对于实验室的整体通风效果是个重大失误。
文章作者:山西省建筑科学研究院 撖文辉
文章来源:《山西建筑》

